教学案例库

当前位置: 首页>>师范专业认证>>教学案例库>>正文
说课稿----上海科技出版社九年级物理第十六章第4节《科学探究:电流的热效应》
2024-06-20 09:40 高桂长    (浏览量:)


16.4《科学探究:电流的热效应》说课文稿

高桂长

一、使用教材:上海科技出版社九年级物理,第十六章第4节《科学探究:电流的热效应》

二、实验教学目标:

1.物理观念:知道电流的热效应;知道焦耳定律的内容

2.科学思维:能用焦耳定律说明生产、生活中的一些现象

3.实验探究:通过实验探究,知道电流的热效应与哪些因素有关,体验控制变量法和转换法的应用;通过自主学习焦耳定律的内容,培养学生自主学习和独立思考的能力。

4.科学态度与责任:通过经历科学探究的过程,使学生认识实验对人们获取科学理论的重要价值,养成实事求是的科学态度。)

三、实验器材:电炉、自制焦耳定律演示器、秒表。

四、实验创新要点:

1.装置整体采用一体化设计,简化实验器材,方便教师与学生使用;

2.装置选用电炉丝作为加热电阻,并改传统实验加热煤油为加热空气,缩短加热时间;

3.装置的储气盒采用活动式后盖板,加热结束,取下盖板,将热空气排出,达到快速散热的目的;

4.装置采用大屏幕的电子温度计,提高了温度的可视性,可作为演示教具使用。

5.装置在储气盒内部加装了隔热材料,有效减少了热损失,能够用于初步探究Q与I、R、t的定量关系;


五、实验原理:

由于电流产生的热量无法直接测量,因此本实验采用转换法和控制变量法。在控制变量的前提下,通过观察温度计示数的变化,来间接地反应盒内电流产生的热量大小,即将研究电流产生热量大小的问题,转换为研究盒内空气温度变化大小的问题。

六、实验教学内容:

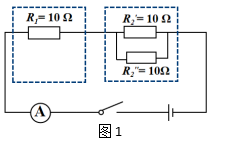
1.探究在通电时间、电流大小相同的情况下,电流产生的热量与电阻的关系在两容器内分别放入10Ω5Ω(两个10Ω的电阻丝并联)电热丝,两电热丝串联(I1=I2),电路图如图1。接通电路一段时间,比较两储气盒内空气温度,哪个盒内空气温度变化大,说明该盒内电阻产生的热量多。

2.探究在通电时间、电阻相同的情况下,电流产生的热量与电流大小的关系。在两容器内分别放入R1R,两电阻阻值均为10Ω,其中R2与容器外的另一个电阻R(阻值10Ω)并联(如图2)。接通电路一段时间,比较两容器中空气温度,哪个盒内空气温度变化大,说明该盒内电阻产生的热量多。

3.探究在电流、电阻相同的情况下,电流产生的热量与通电时间的关系。为节约时间,本步实验可不必单独做,分析第1或第2步的实验数据,就可直接得出结论。


七、实验教学过程:

1.创设情境 概念教学  

首先向学生展示生活中的电热器,请学生亲自体验。

学生通过体验得出,电能转化为了内能。

教师提问:生活中还有其他电器,比如洗衣机,电风扇,它们内部都有电动机,它们是将电能转化为什么能呢?学生容易得出电能转化为机械能,教师设疑:它们在工作时,是否有电能有转化为内能?

学生活动:

从而得到:电流通过导体时电能转化为内能是一个普遍的物理现象,物理学中把它叫做电流的热效应。

设计意图:这样通过生活中的体验和观察,很好的完成电流的热效应这一概念教学。

2.激发思维 实验探究 

回顾刚才电炉通电的实验,引导学生发现问题:既然电流经过导体都会发热,为什么电炉丝热得发红,导线却几乎不热呢? 从而引出探究内容:电流通过导体产生热量究竟与哪些因素有关?  

接着引导学生结合生活经验做出合理猜想,得到电流通过导体产生的热量可能与电流、电阻和通电时间有关?

那猜想的正误,需要通过实验来验证。学生通过讨论提出本实验设计的两个关键问题

1)探究内容同时存在多个变量,我们应该用哪种方法呢?

2)怎样来显示通电导体产生的热量?

对于第一个问题,教师鼓励学生充分的交流讨论,巩固控制变量法的使用。

针对第二个问题,学生根据刚才小风扇的实验以及课本实验。容易得出可以将通电导体产生热量的多少转化加热物体温度升高的多少。教师肯定学生的回答并渗透转换法在实验中的运用。

接着教师展示为学生准备的实验器材,并介绍焦耳定律实验仪的使用方法,给出任务一:请各小组同学选用桌上的实验器材,设计实验探究探究电热与电阻关系,并画出实验电路图。

在学生充分的交流讨论后,展示学生设计的电路图,引导学生分析电路是否合理,如何优化,从而确定实验电路,并制定实验步骤与数据表格。学生根据实验实验方案进行实验。

接着分别给出任务二:探究电热与电流关系,任务三探究电热与通电时间关系,重复任务一的教学过程,要求学生完成任务二/任务三。

学生通过分析实验数据,得出电热与电流、电阻、通电时间的定性关系。 

设计意图:考虑到学生的实验设计能力和实验操作能力有限。所以把探究过程分解为三个任务,运用任务驱动教学法,给学生探究活动制订一个目标,明确探究目的,用一个个小任务驱动学生完成实验探究,从而激发学生学习积极性! 同时在教师引导下,学生合作完成探究活动。让学生体会合作交流的重要性。 

3.自主学习  规律应用

教师抛出问题:刚才通过实验得到了电热与电流、电阻、通电时间的定性关系。那它们之间有没有什么具体的定量联系呢?

教师引导学生利用图像法处理任务一数据,得到△t与t的图像。可以看出温度变化量与时间接近正比。分析图像。发现在其他条件相同时,电热与时间接近正比。

引导学生通过理论分析,得出在理想化的情况下可认为电流产生的热量完成被空气吸收=cm△t,因此,Q正比于△t,由代数关系可知,Q与t成正比。

那接着对同一时刻,两盒内温度变化量求比,可以得到温度变化量的平均比值为1.87,与电阻比接近。

对探究电热与电流关系实验中,采集的数据,对数据进行分析,可以看到当I1为I2的两倍时,温度变化量比的平均值为3.3,当I1为I2的三倍时,温度变化量比的平均值为8.7,学生通过对数据分析可以得到电流对电热的影响比较大。既温度变化量的平均比值与电流平方比比较接近。

教师引导学生讨论分析:虽然仪器采用了保温措施,但电流产生的热量还是无法完成被空气吸收,存在比较大的实验误差。因此,对数据进行处理,也只能得到它们大致的关系!

教师肯定学生的分析,并请学生阅读课本中焦耳定律的内容,找出他们的定量关系。

设计意图:让学生体会科学探究的过程往往都是从定性慢慢过渡到定量,让学生体会科学探索的艰辛,培养学生自主学习和独立思考的能力。 

4.知识迁移 拓展延伸 

学生通过自学总结归纳焦耳定律的的内容后,回顾讨论前面“炉丝和导线”的问题。以加深学生对焦耳定律的理解,也让学生体会到将物理知识应用到生活的成就感。 

八、实验效果评价:

1.本节课以探究性实验为基础,以学生为主体,符合新课程理念。在内容和实验设计上均有创新,过程中,经历了完整的科学实验探究过程,满足了学生在实验设计和操作能力培养的需要,体现了学科的特色

2.在实验效果上,自制教具直观性强,实验效果明显,提高了课堂效率,有效帮助学生突破学习难点,提高学习的积极性,

3.同时,演示器制作简单,成本低,一体化设计便于使用,具有较高的推广价值。


关闭窗口